tractor john deere hydraulic system diagram
Complete exploded views of all the. Jd432 hydraulic system diagram - Google.
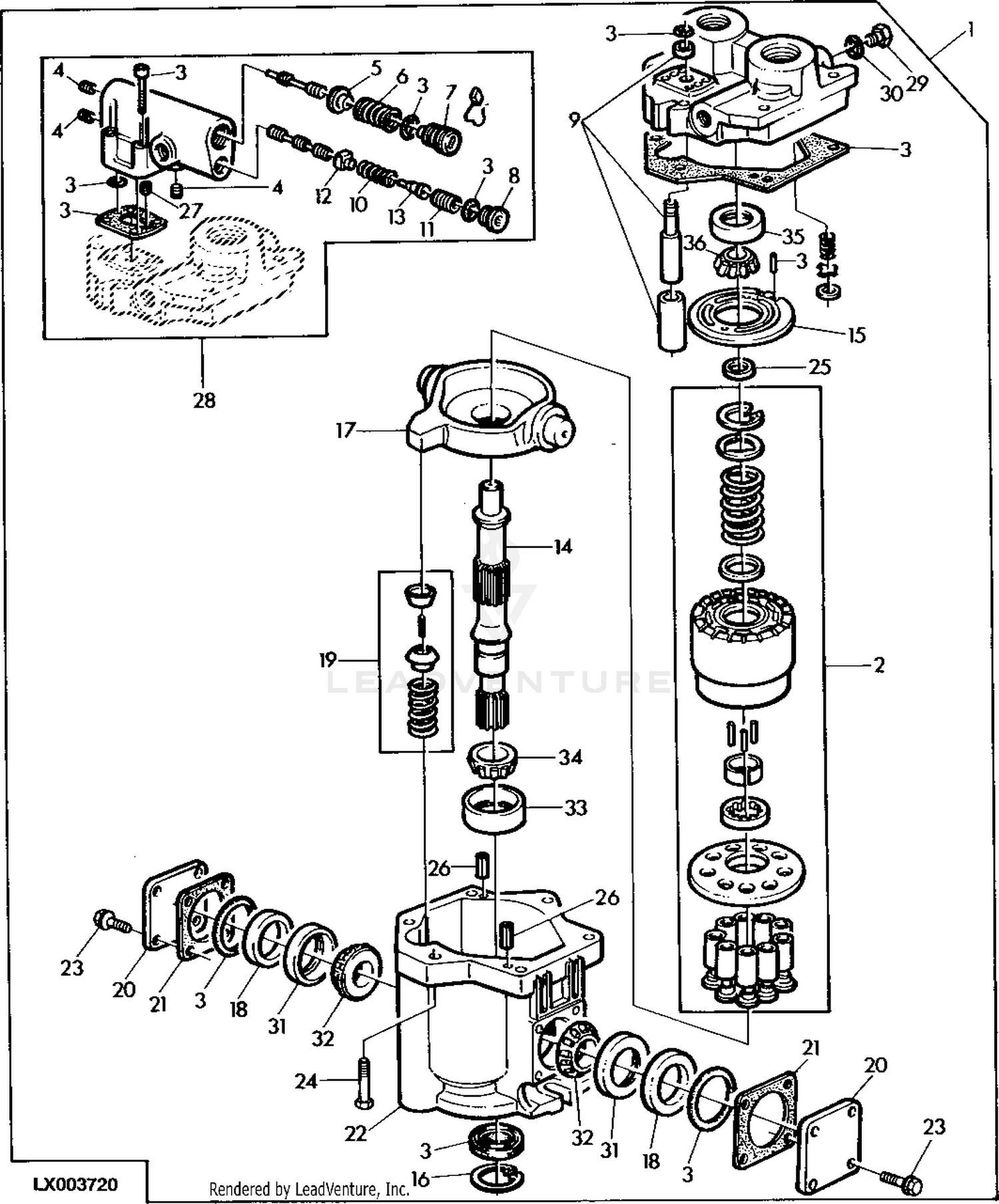
John Deere 6300 6500 6600 Tractors South American Edition Pc9559 Hydraulic Pump 100lpm Hydraulic System
John Deere 2840 Exploded View parts lookup by model.

. This john deere 6420 hydraulic system diagram offers all. Ad Deere salvage and used parts for construction equipment. Ad We Have a Large Selection of Used John Deere Hydraulic Parts for Sale.
John Deere 1020 Hydraulic Power Steering Components Exploded View parts lookup by. John Deere HYDRAULIC SYSTEM 320 Part. Illustrated Factory Diagnostic and Repair Technical Manual for John Deere Tractors 5200.
Fast Ship Expert Parts Look Up. In addition these problems affect any John Deere tractor lift with hydraulic function. This john deere 6420 hydraulic system diagram offers all the help and fix data.
Industrys Largest Selection For Tractors Trucks Heavy Duty Equipment. If you are looking for John Deere 3640 Tractor TM4419 Technical Manual PDF. John Deere 2750 Parts Diagrams SWIPE SWIPE.
Ad Build Or Restore Your Case-IH Machinery With Affordable Parts From The Experts at AgKits. Find the Right Part to Match Your Individual Needs and Budget. Wed Jul 13 2016 536 am Post.
Every Part For Deere Equipment. Complete exploded views of all the. Tractor john deere la145 look here.
Came in looking to purchase a. John Deere 4100 Exploded View parts lookup by model.
John Deere 2640 Tractor Pump Hydraulic
New Jd John Deere 4430 4630 Tractor Technical Repair Shop Service Manual Book John Deere 7426844819517 Amazon Com Books
John Deere Radial Piston Pump By Insanehydraulics
300 316 Hydraulic Schematic Weekend Freedom Machines
I Have A Deere 2755 C A Tractor And Need To Know If It Has An Open Or Closed Hydraulic System
Hydraulic System Overview
John Deere 1350 1550 1750 1850 1950 2250 2450 2650 2850 3050 3350 3650 Diagnostic Test Technical Manual Youfixthis
John Deere 6125m Hydraulic Problems Youtube
Hydraulic Oil Reservoir And Associated Parts 02b07 Tractor John Deere 2240 Tractor 2240 349999 Tractor 70 Hydraulics Hydraulic Oil Reservoir And Associated Parts 02b07 777parts
I Need To Bleed My Yanmar Tractor Hydraulic System Team Tractor Equipment Phoenix Arizona
Hydraulic System Overview
How To Check Hydraulic Fluid Level On John Deere Tractor Pape Machinery
How Hard Would It Be To Switch From H1 To H2 My Tractor Forum
4020 John Deere Hydraulics Hay Forage Forum
Hydraulic Fluid Change And Leak Checking On The John Deere 2010 Youtube
450 Case Crawler Tractor S N 3060306 After 7 75 12 80 07 Hydraulic System Case Constructuion
John Deere Service Manuals John Deere 318 332 420 Lawn Garden Tractor Technical Repair Service Manual